Mikrofon mit LED -Lampe
Hallo ihr Lieben,
ich möchte eine LED- Betriebsanzeige in ein Mikrofon einbauen. In ein kabelgebundenes Elektret -Kondensator -Mikrofon, welches durch 48 Volt ferngespeist wird.
Wie geht das ?
Ich weiss nur dass es angeboten wird (zB Monacor / JTS / Schwanenhalsmikrofonen mit LED ).
Wie kann man verhindern, das die NF-qualität dadurch beeinflusst wird ? Welche Bauteile muss ich verwenden um die Spannung 48 V anzupassen ?
Genügt ein Widerstand ? Ich denke an eine low power LED , 3mm, rot, welche ja nur ca 2 mA braucht.
was meint Ihr dazu ?
danke fürs antworten
Gruss Pit
Mikrofon mit LED-anzeige
-
pit
- Beiträge: 1
- Registriert: Sa 31. Jan 2009, 17:30
- Kontaktdaten:
-
Tobias
- Beiträge: 25
- Registriert: Fr 2. Mai 2008, 18:56
- Kontaktdaten:
Re: Mikrofon mit LED-anzeige
Wenn Du einen Vorwiderstand verwendest, verbrätst Du 92 mW.
Ich würde zunächst mal jeweils eine (damit die Symmetrie erhalten bleibt) möglichst rote LED in Reihe zu "+" und "-" schalten.
Dem Mikrofon fehlen dann allerdings 2 Volt. Je nach Stromaufnahme des Mikros mußt Du evtl. noch Widerstände PARALELL zur LED schalten.
Ich würde zunächst mal jeweils eine (damit die Symmetrie erhalten bleibt) möglichst rote LED in Reihe zu "+" und "-" schalten.
Dem Mikrofon fehlen dann allerdings 2 Volt. Je nach Stromaufnahme des Mikros mußt Du evtl. noch Widerstände PARALELL zur LED schalten.
-
Josch
- Beiträge: 96
- Registriert: So 4. Mai 2008, 11:23
- Kontaktdaten:
Re: Mikrofon mit LED-anzeige
... häää LEDs in Reihe und dann einen Widerstand parallel ??? Wie soll das denn gehen und wie kommt dann das NF-Signal ins Pult?
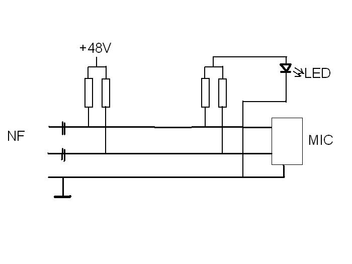
Genauso wie die Phantomspannung eingekoppelt wird, genauso kann man sie natürlich auch wieder auskoppeln (s.Bild). Dimensionierung der Widerstände mußt Du selbst ausrechnen oder ausprobieren - viele Pulte liefern ja gar keine 48V sondern irgendwas darunter. Alles was ich jetzt angebe wäre evtl. also falsch - einfach mal ein Voltmeter zwischen Pin 2 und 1 halten, dann weist Du es.
Viel Erfolg!
Josch
Genauso wie die Phantomspannung eingekoppelt wird, genauso kann man sie natürlich auch wieder auskoppeln (s.Bild). Dimensionierung der Widerstände mußt Du selbst ausrechnen oder ausprobieren - viele Pulte liefern ja gar keine 48V sondern irgendwas darunter. Alles was ich jetzt angebe wäre evtl. also falsch - einfach mal ein Voltmeter zwischen Pin 2 und 1 halten, dann weist Du es.
Viel Erfolg!
Josch
- Dateianhänge
-
- Schaltung für MIC-LED
- MIC_LED.JPG (18.79 KiB) 8878 mal betrachtet
Wer ist online?
Mitglieder in diesem Forum: 0 Mitglieder und 32 Gäste
